Please contact us at +1 (226) 336 7576 for more details.

INFINITE : Your Trusted Industrial Supplier

We express our sincere gratitude for your ongoing support and unwavering trust in us. Thank You!

For any questions regarding bulk quantity purchases or custom orders, please do not hesitate to get in touch with us. 24X7 Support available at +1 (226) 336 7576.

Forces Inc  |  SKU: CP-27

CP-27 Tapered Cap Plug Polyethylene (Blue)

$025 CAD
Shipping calculated at checkout.

Size Code
To Plug
To Cap

Bulk/Custom/Contract Purchase Options

Please contact us at sales@infinitesupplyandservices.com to discover more about Bulk/Custom/Contract Purchase Options, with a dedicated team member ready to cater to your needs swiftly.

Delivery and Shipping

Our fulfillment team is working non-stop to fulfill your requirements. Contact us at sales@infinitesupplyandservices.com for expedited options

Thank you for visiting Infinite Supply & Services Inc !

Forces Inc CP-27 Tapered Cap Plug Polyethylene (Blue)

Product Details : CP-27 Tapered Cap Plug Polyethylene (Blue)

  • Part No: CP-27
  • Product Category: Caps & Plugs
  • Product Type: Tapered Cap Plug
  • Series: Numbered
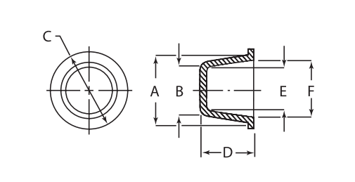
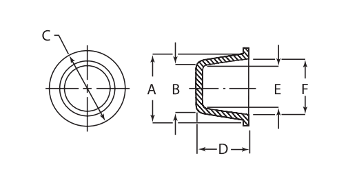
  • To Plug: 0.750"(19.05mm) - 0.848"(21.54mm)
  • To Cap: 0.686"(17.42mm) - 0.777"(19.74mm)
  • To Plug Thread Size: 7/8" - M22
  • A: 0.848"(21.54mm)
  • B: 0.750"(19.05mm)
  • C: 1.031"(26.19mm)
  • D: 0.625"(15.88mm)
  • E: 0.686"(17.42mm)
  • F: 0.777"(19.74mm)
  • Color: Blue
  • Material(s): Low Density Polyethylene
  • Details:
    •Guard pipes against contaminants
    •Protect vital components during shipment and storage
    •Mask threads during finishing processes

For any information about products, please contact us.

*Photos for reference purposes only.

Payment & Security

Payment methods*

  • American Express
  • Apple Pay
  • Diners Club
  • Discover
  • Google Pay
  • Mastercard
  • PayPal
  • Shop Pay
  • Visa

Your payment information is processed securely. We do not store credit card details nor have access to your credit card information.

* PO/Purchase Orders are accepted.