100E35 Taper Bushed Sprocket E Bushing
100E35 Taper Bushed Sprocket E Bushing - 100 / 35 / E is backordered and will ship as soon as it is back in stock.
Couldn't load pickup availability
Bulk/Custom/Contract Purchase Options
Bulk/Custom/Contract Purchase Options
Please contact us at sales@infinitesupplyandservices.com to discover more about Bulk/Custom/Contract Purchase Options, with a dedicated team member ready to cater to your needs swiftly.
Delivery and Shipping
Delivery and Shipping
Our fulfillment team is working non-stop to fulfill your requirements. Contact us at sales@infinitesupplyandservices.com for expedited options
Forces Inc 100E35 Taper Bushed Sprocket E Bushing
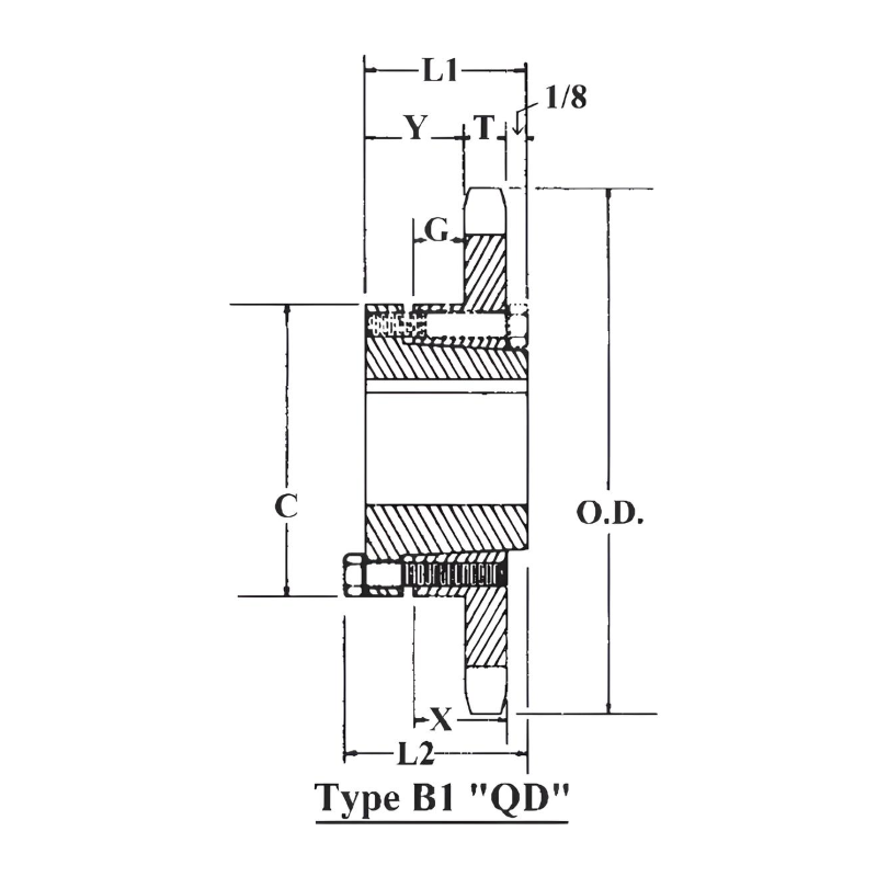
Product Details : 100E35 Taper Bushed Sprocket E Bushing
- Part No: 100E35
- Product Type: QD (Bushing)
- Bushing: E
- Type: B1
- Chain Strand Type: Single
- ANSI Chain Size: 100
- No. Of Teeth: 35
- Pitch: 1-1/4"
- Pitch Diameter: 13.945"
- Outside Diameter: 14.640"
- Bore Max.: 3-1/2"
- Dimension "L1": 2-5/8"
- Dimension "L2": 2-15/16"
- Dimension "C": 6"
- Dimension "Y": 1-13/16"
- Dimension "G": 15/16"
- Dimension "X": 1-5/8"
- Material(s): Carbon Steel
- Certifications: Manufactured using the ISO 9001 quality management system.
- Avg. Weight (lbs): 30.4998
For any information about products, please contact us.
*Photos for reference purposes only.
Please contact us at sales@infinitesupplyandservices.com to discover more about Bulk/Custom/Contract Purchase Options, with a dedicated team member ready to cater to your needs swiftly.
Feel free to get in touch with us at sales@infinitesupplyandservices.com for further aid. Our customer service representative will promptly offer assistance.
Payment & Security
Payment methods*
Your payment information is processed securely. We do not store credit card details nor have access to your credit card information.



